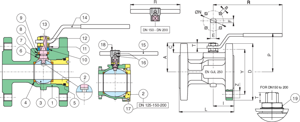
| Position | Part name | Material | N.° pieces |
|---|---|---|---|
| 1 | BODY | EN GJL 250 | 1 |
| 2 | END CONNECTION | ASTM A105 | 1 |
| 3 | BALL | A351-CF8 | 1 |
| 4 | BALL SEAT | PTFE | 2 |
| 5 | O-RING | NBR | 1 |
| 6 | THRUST WASHER | PTFE | 1 |
| 7 | O-RING | NBR | 1 |
| 8 | STEM SEAT | PTFE | 1 |
| 9 | PACKING GLAND | CARBON STEEL | 1 |
| 10 | END STOP | INOX AISI 430 (DN15-DN50) CARBON STEEL (DN65-DN200) | 2-1 |
| 11 | SPRING WASHER | CARBON STEEL | 2 |
| 12 | NUT | CARBON STEEL | 2 |
| 13 | STEM | A479-TP304/17-4-PH | 1 |
| 14 | HANDLE | CARBON STEEL | 1 |
| 15 | HANDLE DN 150-200 | CARBON STEEL | 1 |
| 16 | SCREW | CARBON STEEL | 1 |
| 17 | SCREW | CARBON STEEL | 8 |
| 18 | BODY HANDLE DN 150-200 | EN GJL 250 | 1 |
| 19 | Unscrewing grower | A182-F316 | 1 |
| SIZE | DN | CODE | D | Y | Z | I | L | R | P | A | C | T | E | F | ØN | B | Kv | PN | Kg |
|---|---|---|---|---|---|---|---|---|---|---|---|---|---|---|---|---|---|---|---|
| 1" | 25 | 73000406 | 115 | 85 | 4xM12 | 44,5 | 125 | 174 | 79 | 59 | 19,5 | 11,5 | 12 | 8 | - | - | 64,5 | 16 | 3,10 |
| 1"1/4 | 32 | 73000407 | 140 | 100 | 4xM16 | 51,5 | 130 | 174 | 85 | 64 | 18 | 10 | 12 | 8 | - | - | 103,8 | 16 | 4,80 |
| 1"1/2 | 40 | 73000408 | 150 | 110 | 4xM16 | 49 | 140 | 250 | 103 | 78 | 24 | 13 | 16 | 10 | - | - | 174 | 16 | 6,10 |
| 2" | 50 | 73000410 | 165 | 125 | 4xM16 | 52 | 150 | 250 | 110 | 85 | 24 | 13 | 16 | 10 | - | - | 301,3 | 16 | 7,80 |
| 2"1/2 | 65 | 73000412 | 185 | 145 | 4xM16 | 65 | 170 | 321 | 126 | 103 | 28 | 18 | 20 | 14 | - | - | 545,7 | 16 | 11,40 |
| 3" | 80 | 73000414 | 200 | 160 | 8xM16 | 66 | 180 | 321 | 137 | 114 | 28 | 18 | 20 | 14 | 70 | M8 | 872,5 | 16 | 14,10 |
| 4" | 100 | 73000418 | 220 | 180 | 8xM16 | 89 | 190 | 381 | 158 | 137 | 32,5 | 20,5 | 24 | 18 | 102 | M10 | 1363,3 | 16 | 20,00 |
| 5" | 125 | 73000419 | 250 | 210 | 8xM16 | 100 | 200 | 381 | 180 | 159 | 32 | 20,5 | 24 | 18 | 102 | M10 | 2360,3 | 16 | 30,40 |
| 6" | 150 | 73000420 | 285 | 240 | 8xM20 | 105 | 210 | 700 | 265 | 201,5 | 51,5 | 30 | 42 | 30 | 125 | M12 | 3671,1 | 16 | 44,50 |
| 8" | 200 | 73000421 | 340 | 295 | 12xØ22 | 200 | 400 | 700 | 308 | 244 | 52 | 30 | 42 | 30 | 125 | M12 | 6816,6 | 16 | 103,00 |